
國家發展改革委等部門關于發布《煤炭清潔高效利用重點領域標桿水平和基準水平(2025年版)》的通知
發改運行〔2025〕1499號
各省、自治區、直轄市、新疆生產建設兵團發展改革委、工業和信息化主管部門、生態環境廳(局)、住房和城鄉建設廳(委、管委、局)、市場監管局(廳、委)、能源局:
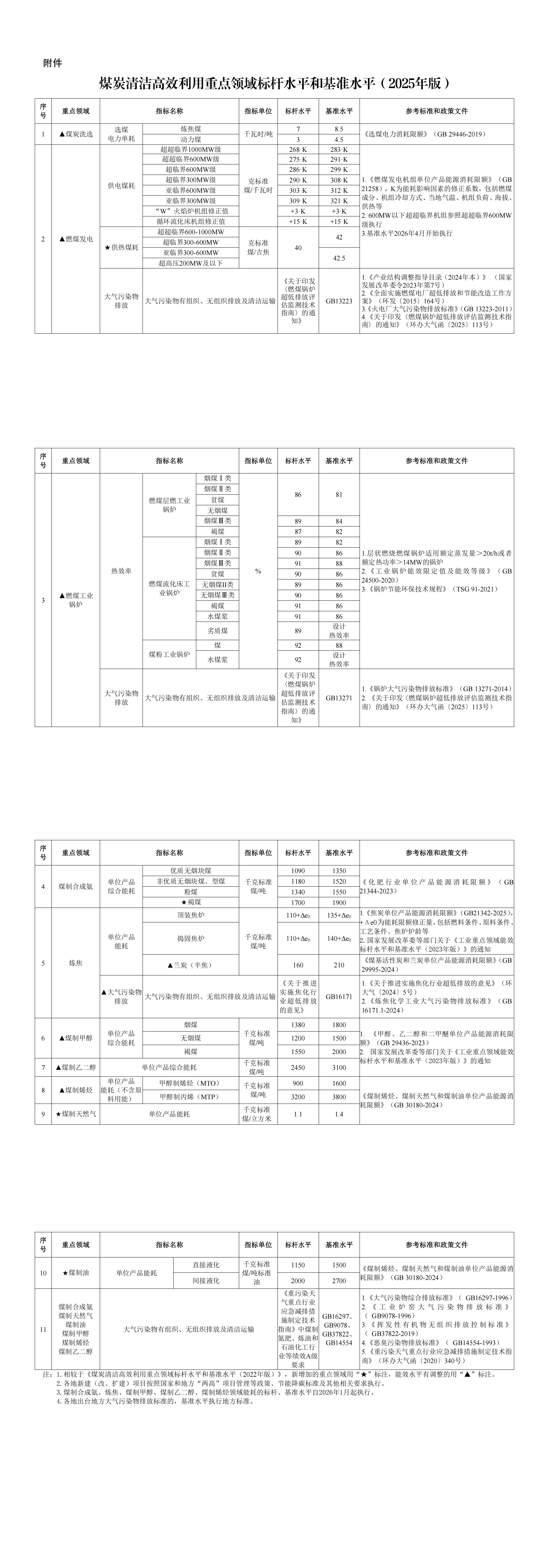
為貫徹落實黨中央、國務院決策部署,推動煤炭產業由低端向高端、煤炭產品由初級燃料向高價值產品攀升,按照《國家發展改革委等部門關于加強煤炭清潔高效利用的意見》(發改運行〔2024〕1345號),經商有關方面,現發布《煤炭清潔高效利用重點領域標桿水平和基準水平(2025年版)》,并就有關事項通知如下。
一、拓展重點領域范圍,強化導向引領作用
結合煤炭行業發展現狀和潛力,在此前重點領域能效標桿水平和基準水平的基礎上,將燃煤發電供熱煤耗、煤制天然氣等納入范圍。對標國內外煤炭清潔高效領域先進水平,以及國家、地方現行政策、標準中先進能效指標值和最嚴格污染物排放要求,完善煤炭清潔高效利用標桿水平。參考國家現行標準中的準入值或限定值,以及國家政策文件明確的相關指標,科學確定煤炭清潔高效利用的基準水平。煤炭清潔高效利用重點領域標桿水平和基準水平將視行業發展和標準制修訂情況進行動態調整,強化標桿水平引領作用和基準水平約束作用。
二、分類實施改造升級,著力提升利用水平
鼓勵和引導行業企業結合實際和長遠發展,對項目實施改造升級。對新建煤炭開發利用項目和有條件的存量項目,推動清潔高效利用水平應提盡提,力爭達到標桿水平。對清潔高效利用水平低于現有基準水平的存量項目,引導企業有序開展煤炭清潔高效利用改造,加快推動企業減污降碳,堅決依法依規淘汰落后產能、落后工藝。對需開展煤炭清潔高效利用改造的項目,各地應在不影響電力、熱力供應的情況下明確改造升級和淘汰時限(一般不超過3年)以及年度計劃,在規定時限內升級到基準水平以上,力爭達到標桿水平;對不能按期改造完成的項目予以淘汰。加強煤炭清潔高效利用工藝技術裝備研發和推廣應用,開展煤炭清潔高效利用項目評價,積極推動技術改造升級項目建設。
三、加大政策支持力度,加快推進轉型升級
充分利用現有政策工具和工作機制,加大煤炭清潔高效利用市場調節和督促落實力度。利用現有中央資金渠道,積極支持符合條件的煤炭清潔高效利用重點項目。健全完善相關金融政策,引導和吸引社會資本廣泛參與煤炭清潔高效利用。引導銀行業金融機構按照市場化、法治化原則加大對符合條件的綠色低碳轉型項目的信貸支持力度。落實專用裝備、技術改造、資源綜合利用等方面的優惠政策,加快企業改造升級步伐,提升煤炭清潔高效利用整體水平。
各地有關部門要充分認識推動煤炭清潔高效利用的重要意義,及時總結工作經驗,立足本地實際,加強統籌銜接,堅持系統觀念,強化責任落實,細化工作安排,加大推進力度,加快推動煤炭清潔高效利用,助力推進清潔低碳、安全高效的能源體系建設。
本通知自印發之日起執行,《國家發展改革委等部門關于發布〈煤炭清潔高效利用重點領域標桿水平和基準水平(2022年版)〉的通知》(發改運行〔2022〕559號)同時廢止。
國家發展改革委
工業和信息化部
生 態 環 境 部
住房城鄉建設部
市場監管總局
國 家 能 源 局
2025年11月24日




